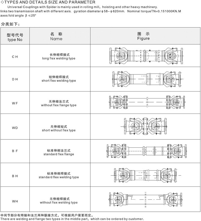
1. Giới thiệu về trục Cardan
Khớp nối trục Cardan là một thiết bị cơ khí để kết nối giữa hệ thống truyền động và các cơ cấu chấp hành nhằm truyền momen xoắn để truyền tải từ vận tốc góc sang vận tốc dài cho các cơ cấu chấp hành.
2. Cấu tạo của trục Cardan
Cấu tạo của trục Cardan bao gồm 2 bộ phận chính
- Ống trục:
Thường là một ống thép cacbon rỗng, có đủ độ cứng và sức bền để chống lại lực xoắn và uốn trong quá trình hoạt động.
- Khớp nối cardan (hay còn gọi là khớp các đăng):
Là thành phần quan trọng giúp kết nối các trục. Mỗi khớp nối bao gồm
Hai đầu nối (Yoke): Các chi tiết hình chữ U được gắn vào các trục.
Thanh nối (Cross shaft): Nằm ở giữa hai đầu nối, cho phép truyền mô-men xoắn từ trục này sang trục kia.
Vòng bi: Được đặt trên thanh nối để giảm ma sát và hỗ trợ chuyển động trơn tru, linh hoạt cho khớp nối.
3. Ứng dụng của trục Cardan
- Trong công nghiệp
Khớp nối trục Cardan được sử dụng để kết nối giữa động cơ truyền động đến các cơ cấu chấp hành mà không làm giảm hiệu suất. Nhờ kết cấu linh hoạt đã cho phép chúng ta ứng dụng trong các hạng mục công trình mà có sự sai biệt lớn về góc.
4. Các loại trục Cardan và thông số chi tiết
